首页
专利数据库
产业人才
行业动态
产业政策法规
维权援助
个人中心
登录/注册
详情
文本
图像
标题:
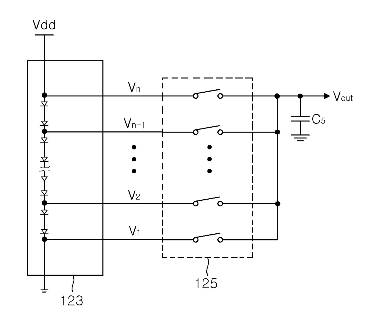
LCD 드라이버 및 이를 구비한 표시장치
授权日:
1900-01-01
公开(公告)号:
KR1020100069294A
申请日:
2008-12-16
公开(公告)日:
2010-06-24
当前申请(专利权)人:
삼성전기주식회사
发明人:
김명수 | 권용일 | 임준형 | 이상호
简单同族:
KR1020100069294A
简单同族成员数量:
1
简单同族被引用专利总数:
0
诉讼案件数:
0
法律状态/事件:
驳回