首页
专利数据库
产业人才
行业动态
产业政策法规
维权援助
个人中心
登录/注册
详情
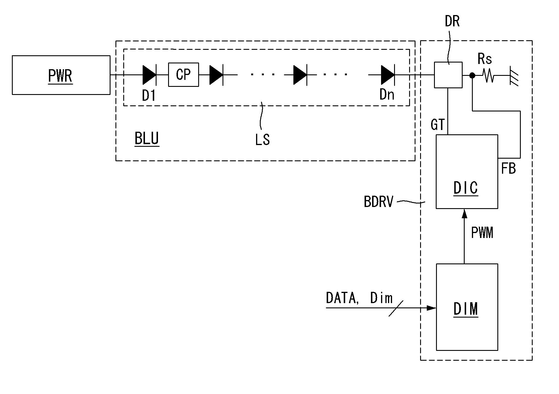
文本
图像
标题:
백라이트유닛과 이를 이용한 액정표시장치
授权日:
1900-01-01
公开(公告)号:
KR1020110064124A
申请日:
2009-12-07
公开(公告)日:
2011-06-15
当前申请(专利权)人:
엘지디스플레이 주식회사
发明人:
오정일 | 김종대 | 김용근
简单同族:
KR1020110064124A
简单同族成员数量:
1
简单同族被引用专利总数:
0
诉讼案件数:
0
法律状态/事件:
驳回