首页
专利数据库
产业人才
行业动态
产业政策法规
维权援助
个人中心
登录/注册
详情
文本
图像
标题:
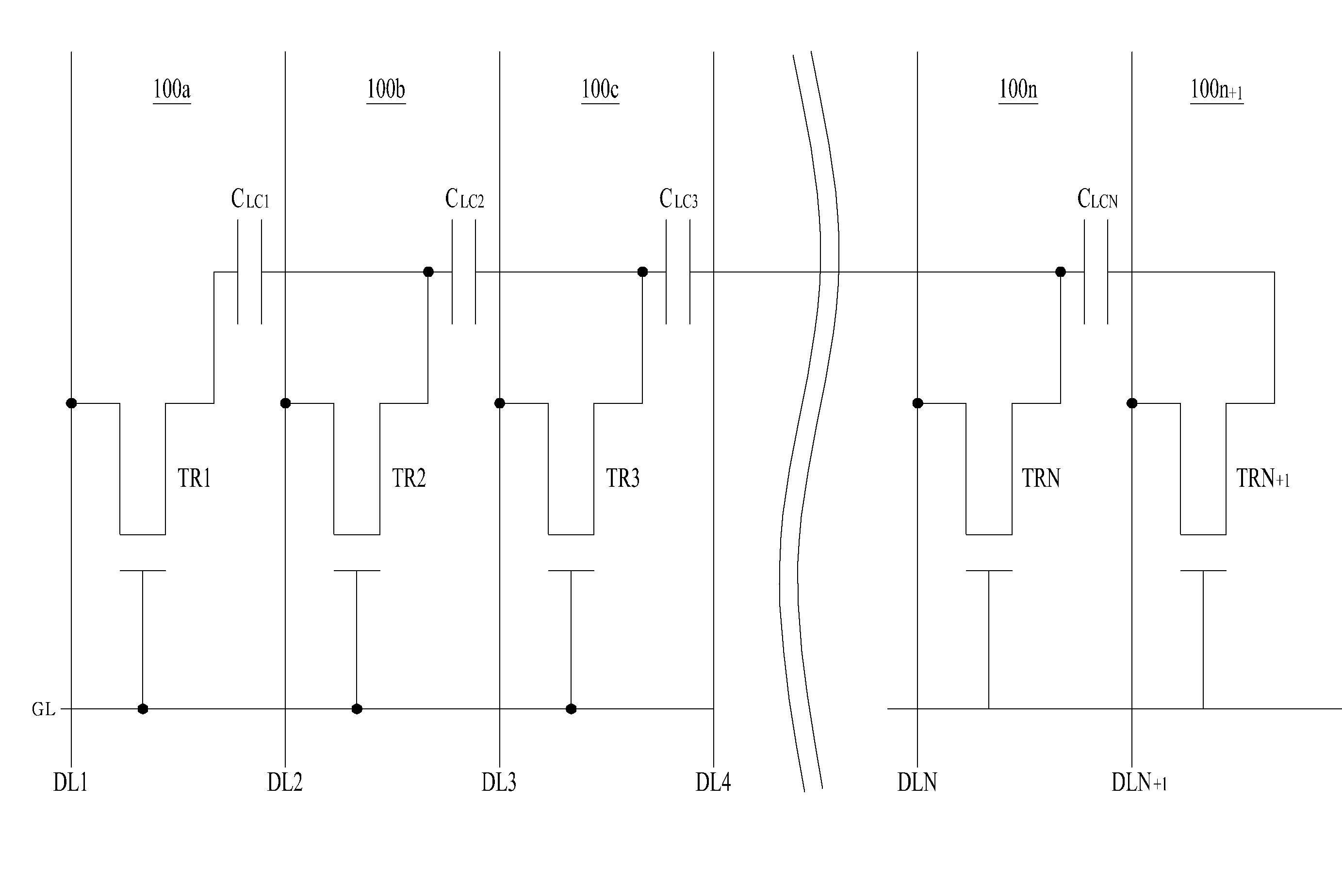
발명의 명칭 액정 표시 장치 및 그 구동 방법
授权日:
1900-01-01
公开(公告)号:
KR1020160048572A
申请日:
2014-10-24
公开(公告)日:
2016-05-04
当前申请(专利权)人:
엘지디스플레이 주식회사
发明人:
송효식
简单同族:
KR1020160048572A
简单同族成员数量:
1
简单同族被引用专利总数:
0
诉讼案件数:
0
法律状态/事件:
实质审查